運 航 基 準
第 1 章 目的
第1条 この基準は、安全管理規定に基づき、海上運送法第21条に基づく旅客不定期航路事業及び海上運送法第20条第2項に基づく人の運送をする不定期航路事業に使用する船舶の運航に関する基準を明確にし、もって航海の安全を確保することを目的とする。
第 2 章 運航の可否判断
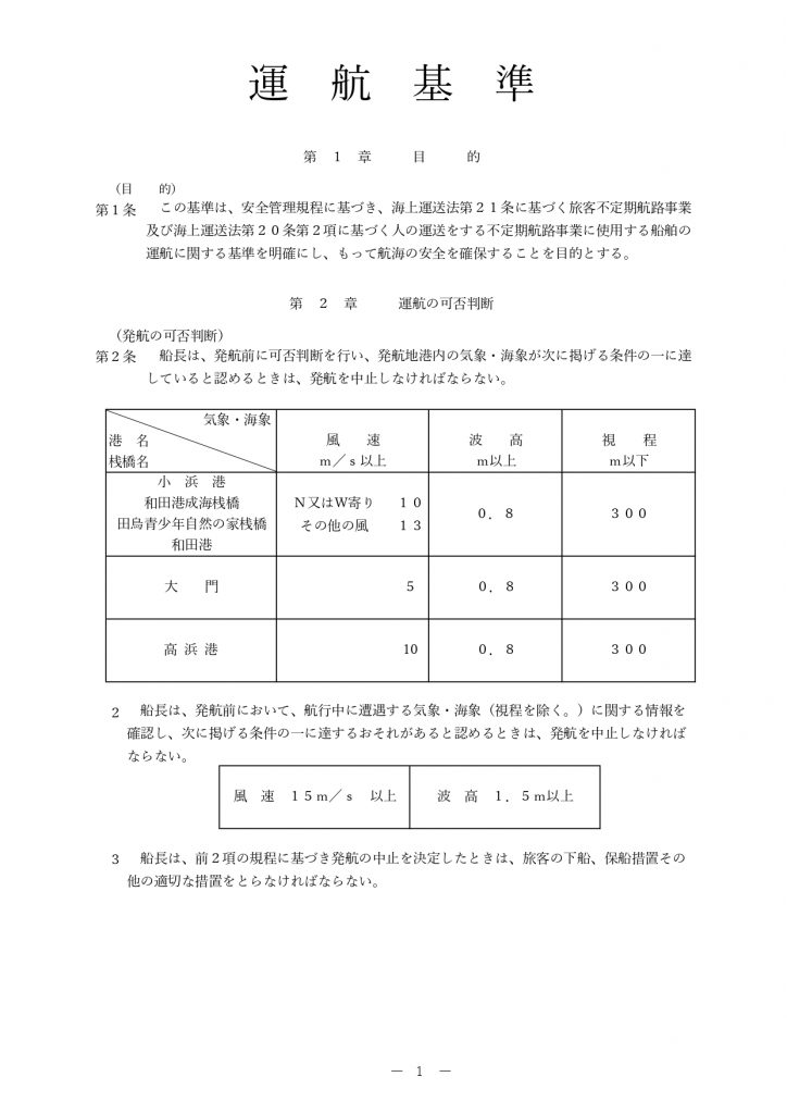
第2条 船長は、発航前に可否判断を行い、発航地港内の気象・海象が次に掲げる条件の一に達していると認めるときは、発航を中止しなければならない。

損害賠償に関する内容
船客傷害賠償保険賠償限度額:一人あたり1億円